产品主要用途气动离合器广泛应用于球磨机、钻机、轧钢机、船舶、破碎机、提升机、压力机等大功率电动机或内燃机驱动的机械设备上,充分解决大功率设备的分段启动,也可应用于大功率设备的制动擎等。安装示意图主要外形尺寸表型号ABCDD1D2D3EFQL665-300×188520025100080110M1014ZG1/2〃QL875-300×1110625025123080110M1014ZG1/2〃QL1
产品主要用途
气动离合器广泛应用于球磨机、钻机、轧钢机、船舶、破碎机、提升机、压力机等大功率电动机或内燃机驱动的机械设备上,充分解决大功率设备的分段启动,也可应用于大功率设备的制动擎等。

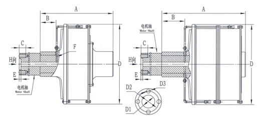
安装示意图

主要外形尺寸表
| 型号 | A | B | C | D | D1 | D2 | D3 | E | F |
| QL665-300×1 | 885 | 200 | 25 | 1000 | 80 | 110 | M10 | 14 | ZG1/2〃 |
| QL875-300×1 | 1106 | 250 | 25 | 1230 | 80 | 110 | M10 | 14 | ZG1/2〃 |
| QL1000-300×1 | 1106 | 250 | 25 | 1350 | 80 | 110 | M10 | 14 | ZG1/2〃 |
| QL665-300×2 | 1120 | 250 | 25 | 1000 | 80 | 110 | M10 | 14 | ZG1/2〃 |
| QL875-300×2 | 1270 | 350 | 25 | 1230 | 80 | 110 | M10 | 14 | ZG1/2〃 |
| QL1000-300×2 | 1430 | 400 | 25 | 1350 | 80 | 110 | M10 | 14 | ZG1/2〃 |
单列气动离合器参数表
| 型号 | 额定扭矩(KN·m) |
| QL665-300×1 | 35 |
| QL875-300×1 | 60 |
| QL1000-300×1 | 100 |
| QL1260-300×1 | 125 |
| QL1210-410×1 | 160 |
| QL1370-410×1 | 250 |
| QL1730-410×1 | 315 |
双列气动离合器参数表
| 型号 | 额定扭矩(KN·m) |
| QL665-300×2 | 70 |
| QL875-300×2 | 126 |
| QL1000-300×2 | 200 |
| QL1260-300×2 | 250 |
| QL1210-410×2 | 315 |
| QL1370-410×2 | 400 |
| QL1730-410×2 |
630 |